מדריך מגבר Audio Audio 7293
מגבר TDA7293 הוא מעגל משולב עם שבב אחד המהונדס בקפידה ליישומי שמע בעלי נאמנות גבוהה.מא...
Oct 04
נופים: 8946
ה-
74HC00
, חבר בולט במשפחת ה- CMOS Logic IC, משלב ארבעה שערי NAND בחבילה אחת, וממנף טכנולוגיית שער סיליקון כדי להתאים למהירויות תפעול LS-TTL עם צריכת חשמל נמוכה במיוחד.תערובת זו של מהירות ויעילות, מוגברת על ידי יכולתו לנסוע עד עשרה עומסי LS-TTL והידוק דיודה פנימית להגנת פריקה אלקטרוסטטית, ממקם את 74HC00 כרכיב רב-תכליתי ואמין בתכנון מעגלים דיגיטליים.אתה יכול להעריך את התפוקות החוצפות שלה לחסינות רעש משופרת ואת תאימותה למספר מקבילות סטנדרטיות בתעשייה, מה שהופך אותו לאבן יסוד ביצירת מערכות דיגיטליות חדשניות וחזקות.
74HC00
RENESAS
74HC00 ST SOP
In Stock: 6124 pcs

THE
74HC00
, שילוב ארבעה שערי NAND, מצוין בזכות התאמתה למשפחת LS-TTL.
74HC00
RENESAS
74HC00 ST SOP
In Stock: 6124 pcs
בהעסקת טכנולוגיית CMOS של סיליקון-שער, היא משיגה מהירויות תפעוליות הדומות ל- LS-TTL תוך שמירה על התמקדות בצריכת חשמל נמוכה.איזון זה מאפשר לך לרתום הן מהירות והן יעילות, ולטפח עיצובים המהדהדים את כושר ההמצאה.תפוקות שער חוצפות משפרות את חסינות הרעש, גורם התורם לביצועים יציבים אפילו בסביבות איתות מאתגרות.
היכולת שלה לנהוג בעשרה עומסי LS-TTL הופכת אותו למערכות למערכות בהן רצויות יציאות איתות רבות.
מצויד בהידוק דיודה פנימי, הוא ממזער את הסיכונים הקשורים לפריקה אלקטרוסטטית.תכונה זו מדגישה את תפקידה בהרחבת אורך החיים של הרכיבים, ומשקפת בעדינות את החוכמה בחיפוש אחר אמינות לטווח הארוך.
החלפות ושווים:
• •
CD4011
CD4011
I-CORE
701
In Stock: 25220 pcs
• MC54HC00AJD
• • M74HC00m1
• • SN54LS00
• sn74hct00dte4
• • 74hct132d
• •
74HCT00
74HCT00
TI
74HCT00 ST SOP14
In Stock: 2870 pcs

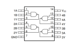
• סיכות 1, 2, 4, 5, 9, 10, 12, 13: כניסות נתונים
סיכות אלה מעוצבות כדי לקבל אותות קלט המנחים את פעולות ההיגיון של שערי NAND בתוך השבב.הבטחת תשומות אלה נקייה מהפרעות מטפחות התנהגות מעגלים אמינה, המשקפת את השליטה והחיזוי.
• סיכות 3, 6, 8, 11: יציאות נתונים
פינס פועלים כתפוקות, סיכות אלה מעבירות את תוצאות חישובי שער NAND.ניתן להשתמש בהם במבני לוגיקה דיגיטליים מגוונים, ואורגים יחד דפוסי לוגיקה מורכבים.כאשר מעגלים מרובים מחוברים לפלט יחיד, השפעות הטעינה הפוטנציאליות רומזות על האיזון העדין הנדרש במערכות יחסים מורכבות.
• סיכה 7: קרקע (GND)
סיכה זו מתחברת לקרקע המערכת כדי לספק נקודת התייחסות קבועה למתחים.קביעת חיבור יציב כזה תואמת את המרדף הטבעי אחר הארקה ובהירות, ומזערת הפרעות.
• סיכה 14: ספק כוח חיובי (VCC)
הזנת המתח הנכון דרך סיכה זו תומכת בביצועי המכשיר.בעוד ששמירה על הטווח שצוין משפרת את אורך החיים והיעילות, הצבת קבלים ניתוק ליד סיכות הכוח יכולה לייצב באופן משמעותי את הפעולה, תוך שיקוף אסטרטגיות לניהול מורכבות החיים.
ה-
74HC00
מעוצב עם ארבעה שערי NAND עצמאיים המתמקדים ביעילות כוח, ומושכים אותך עם הביצועים האמינים שלו במעגלים דיגיטליים.חסינות הרעש המרשימה שלה תורמת ליישומים יציבים, שרבים מוצאים מושכים לפרויקטים המתעדפים עקביות.הוא זמין בפורמטים של DIP ו- SOIC, הוא עומד בדרישות עיצוב מגוונות ומציע אפשרויות פריסת PCB גמישות.
74HC00
RENESAS
74HC00 ST SOP
In Stock: 6124 pcs
יכולת ההסתגלות של 74HC00 מאפשרת לו להשתלב במגוון רחב של תצורות שער לוגיקה ומערכות מורכבות.אתה יכול להעריך את יכולת הנהיגה הקלט/פלט החזקה שלה, למצוא אותו שימושי ליצירת פונקציות דיגיטליות מורכבות.
יכולתה לפעול בתנאים משתנים הופכת את ה- 74HC00 לפופולרי בחינוך ובפיתוח אב -טיפוס.הקלות בה היא מסתגלת למורכבות מעגלים מוגברת מעוררת אותך לחקור חידושים חדשים מבלי להקריב את הביצועים.
Texas Instruments זכתה למוניטין של מסירותו ליצירת מוצרים מוליכים למחצה אמינים ופורצי דרך.עם ההתמקדות הבלתי מעורערת שלהם בעמידות ובביצועים מעולים, המרכיבים של טקסס אינסטרומנטס מוצאים עצמם בלב יישומים רבים, ומציגים את תפקידם האפקטיבי בתעשיית האלקטרוניקה.
מדידת 8.65 מ"מ x 3.91 מ"מ x 1.58 מ"מ,
74HC00
מתגאה בעיצוב מלוטש המותאם לסביבות קומפקטיות.מידות אלה מפשטות את האינטגרציה בפריסות לוח מעגלים מגוונות, ומאפשרות לך להפיק את המרב מהמרחב המוגבל מבלי לפגוע ביכולות המדהימות של המכשיר.
74HC00
RENESAS
74HC00 ST SOP
In Stock: 6124 pcs
מתח האספקה משתרע על ידי 2V ל- 6V, מציע יכולת הסתגלות בבחירת מקורות כוח והבטחת תאימות עם קשת רחבה של מעגלים דיגיטליים.טווח מתח זה תומך ביישומים רב -תכליתיים, ומאפשר ל- 74HC00 להתאים באופן מיומן לדרישות המשתנות בסביבות דינמיות.
המכשיר פועל ביעילות בין -40 מעלות צלזיוס ל- 85 מעלות צלזיוס, המכשיר נועד לשגשג באקלים מגוון ובתנאים תעשייתיים.ההתנגדות שלה כנגד קיצוניות טמפרטורה הופכת אותה לבחירה מועדפת עבור אלקטרוניקה צרכנית ויישומים תעשייתיים, כאשר השונות הסביבתית היא נתון.
ה- 74HC00 מציע עיכוב התפשטות של 23 ננו-שניות, מצטיין ביעילות העיבוד הנדרשת לפונקציות לוגיות במהירות גבוהה.ביצועים מהירים זה מועיל ליישומים כמו מערכות בקרת אות דיגיטליות ותקשורת, כאשר החלפת נתונים מהירה היא הכרח.
המכשיר כולל 4 שערים, לפעולות לוגיות של NAND, ומספק פונקציונליות משמעותית לעיצובים לוגיים מורכבים.תצורה זו מוכיחה יתרון במקום בו יש צורך לבצע פעולות לוגיות ביעילות, מה שמבטיח עיבוד מהיר ואמין במערכות.
ה- 74HC00, מתפקד כשער לוגיקה, משמש כרכיב ראשוני ביצירת מעגלים דיגיטליים.אתה יכול להשתמש באלמנטים אלה כדי לבנות מערכות דיגיטליות מורכבות, ובכך לשפר את כוח החישוב וקידום יכולות העיבוד בדרכים חדשניות.
ה-
74HC00
משלב ארבעה שערי NAND נפרדים, שלכל אחד מהם שתי כניסות המובילות לפלט יחיד.הפעולה תלויה בטבלת אמת מפורטת.באופן ספציפי, הפלט יורד לנמוך רק אם שתי הכניסות גבוהות.אחרת, הפלט נשאר גבוה - אלמנט ראשוני בעיצוב לוגיקה דיגיטלית, המשמש כרכיב ליבה בעיצוב מעגלים מורכבים יותר.
74HC00
RENESAS
74HC00 ST SOP
In Stock: 6124 pcs
משוב חיובי משפיע בעדינות על היציבות בין השערים הללו.כאשר כל שער מעבד את תשומותיו, משוב משמש לחיזוק מצב פלט יציב, ומטפח ביצועים עקביים.שיווי משקל זה מושג על ידי הרמוניה של תגובות השער עם ערכי הקלט.אתה יכול להתחבר להיבט זה כדי לזייף מעגלים הדורשים מצבי היגיון אמינים, לחשוף שכבה של חיזוי מובטח.
אחיזת הדקויות של דינמיקת הקלט-פלט בתוך שערי NAND משפרת את הפוטנציאל לעיצובי מעגלים יעילים.יישומים נפוצים כוללים בניית כפכפים וביצוע משימות לוגיות כגון ו- או לא פעולות.צדדיות זו מדגישה את אימוץם על פני קשת של הקשרים, החל ממנגנוני בקרה פשוטים ועד למסגרות חישוביות מתוחכמות.
בהתחשב בתועלת הרחבה יותר של ה- 74HC00, הביצועים האמינים שלו מוצאים רלוונטיות בתחומים המשתרעים על אלקטרוניקה צרכנית לאוטומציה תעשייתית.הכוח לסדר את השערים הללו במסגרות לוגיות מגוונות מעניק חופש יצירתי משמעותי, ומעודד חדשנות.העקרונות העיקריים של Nand Gates מעוררים פתרונות מותאמים למכשולים טכנולוגיים ייחודיים.
ה-
74HC00
הוא שער NAND עם דו-קלט מרובע מעוצב עם דיוק מעודן.זה מגלם תערובת הרמונית של פרקטיות ותחכום טכנולוגי.
74HC00
RENESAS
74HC00 ST SOP
In Stock: 6124 pcs
• פועל על טווח מתח רחב
• מציג עיכוב התפשטות מהירה
• מתאים לפעולות במהירות גבוהה ועוצמה נמוכה
• מתח וזרם: רכיב זה מתפקד על רוחב רמות מתח, ומכיל מגוון של צרכי העיצוב.
• טווח טמפרטורה: מבצע ביצועים מהימנים על פני הגדרות טמפרטורה שונות, ומאפשר יכולת הסתגלות לתנאים סביבתיים שונים.
• שימושים כלליים: רכיב רב -תכליתי, הוא מוצא מקום במעגלים דיגיטליים רבים, ממלאים צרכים החל ממשימות יומיומיות ליישומים מורכבים בחסד.
• יישומים ספציפיים: מאלקטרוניקה צרכנית למנגנונים תעשייתיים, 74HC00 משתלב בצורה חלקה, ומבטא את התועלת שלו בכל יישום.
שבב
74HC00
מציג יכולת הסתגלות מדהימה, המופיעה לעתים קרובות בהקשרים אלקטרוניים מגוונים בזכות הקשת הרחבה של הפונקציונליות שלו.
74HC00
RENESAS
74HC00 ST SOP
In Stock: 6124 pcs
ה- 74HC00 מתפקד כמתפקד כמאגר או נהג, ומטפח קישוריות חלקה על פני מעגלים.על ידי צמצום טיפות מתח וצמצום השפלה של אותות, הוא קובע תקשורת עקבית בין רכיבים.באלקטרוניקה מעשית, השימוש ב- 74HC00 כמאגר יכול לחזק את יכולתו של מיקרו-בקר להפעיל נוריות LED מרובות או מודולי ממסר, תכונה תכופה בפרויקטים של DIY.
שבב זה מאפשר פעולות לוגיות, כמו שערי NAND, ויוצר את ליבת המערכות המורכבות.שילובו ללא מאמץ במעגלי לוגיקה שונים מדגיש את השימושיות שלו.בעיצוב דיגיטלי, מינוף NAND GATES מאפשר לך לבנות מעגלים לוגיים מתוחכמים עם פחות רכיבים, ולשפר את האפשרות והקומפקטיות כאחד.
בתוך מערכות משובצות, 74HC00 מייחל את ביצוע המשימות על ידי הטמעת פונקציות לוגיות ביוזמות מיקרו -בקר.
מספר מכשירי IoT מעסיקים שבב זה כדי לבצע בדיקות מותנות ולניהול מכשירים היקפיים, הגברת היענות המערכת ואמינות.
ה- 74HC00 משרת תפקיד יעיל בהמרה ברמה, ומתאים את רמות האות בין מעגל שונה.זה מאפשר ממשק חלק של רכיבים עם דירוג מתח מגוון.במצבי מתח מעורב, כמו קישור בקר מיקרו 5 וולט לחיישן 3.3 וולט, ה- 74HC00 מגשר בצורה חלקה על המתרחש, ומבטיח שיתוף נתונים מדויק.
השבב כולל גם במעגלי תזמון ובקרה, ומסייע בתיאום קפדני של משימות לוגיות רצופות, משפר יישומים כמו מעגלי קו עיכוב וייצור דופק.זיקוק מעגלי תזמון עם ה- 74HC00 משפר את הדיוק במשימות כמו מערכות תקשורת סינכרוניות, תוך שמירה על נאמנות נתונים באמצעות ניהול זמן קפדני.
ה- 74HC00 מתפקד כמשווה דיגיטלי להשוואה בינארית, אידיאלי לקבלת החלטות במסגרות דיגיטליות.זה מבחין בשוויון או בשונות בין דמויות בינאריות.השימוש ב- 74HC00 להשוואה בינארית מספק מסלול יעיל ליישום החלטות הסתעפות בפרוטוקולים דיגיטליים מגוונים, תוך חיזוק ביצועי המערכת בפעילויות.
ה-
74HC00
משלב ארבעה שערי NAND עצמאיים עם 2 כניסה, הפועלים בטווח כוח של 2.0 וולט עד 6.0 וולט.הגשת מערכות לוגיות דיגיטליות, היא מאפשרת היווצרות פעולות לוגיות, המהוות את עמוד השדרה של ארכיטקטורות דיגיטליות מורכבות.
74HC00
RENESAS
74HC00 ST SOP
In Stock: 6124 pcs
74LS00 כולל קבוצה של ארבעה שערי NAND, שכל אחד מהם מעוצב עם שתי כניסות ופלט יחיד.תצורה זו היא בחירה נפוצה בעת פיתוח יחידות באלקטרוניקה דיגיטלית.
ההבדל העיקרי הוא יכולת הסתגלות המתח שלהם.74HC00 פועל בטווח של 2V עד 6V, ואילו 74LS00 מוגבל לאספקת חשמל של 5 וולט.הבחירה תלויה לעתים קרובות בווריאציות של צרכי היישום וגורמים סביבתיים.
סדרת 74HC כוללת מעגלים משולבים ב- CMOS במהירות גבוהה, המציעה מהירויות תואמות TTL עם צריכת חשמל מופחתת.תאימותם לפריסות הסיכות של סדרת 74LS מאפשרת שילוב והחלפה קלים במעגלים קיימים.
במעגלים דיגיטליים, ה- 74HC00 הוא אינסטרומנטלי כאשר נדרשים שערי לוגיקה של NAND לצורך היפוך אות ולביצוע פעולות לוגיות מורכבות.יכולת ההסתגלות שלה הופכת אותו לנכס חשוב בהקשרים חינוכיים ובמיזמים אלקטרוניים מקצועיים.
Oct 04
נופים: 8946
Nov 11
נופים: 6346
Apr 16
נופים: 451
Apr 16
נופים: 407
Apr 16
נופים: 347
Apr 16
נופים: 367
Apr 15
נופים: 491
Apr 15
נופים: 456